WB8-16/2Z GPRS自動重合閘
2019/5/28 9:01:49

適用范圍 SCOPE OF APPLICATION:WB8-16/2Z
WB8-16/2Z GPRS自動重合閘,具有手機全球遠程控制接通、定時接通、延時接通、循環接通、分斷電路、開關狀態反饋到手機同步、跳閘后同步的功能。
新增了過欠壓保護、缺相保護,同時具有故障防合閘及過載和短路保護功能。
適用于交流50Hz額定工作電壓AC230V(1P+N2P)、AC400V(3P,3P+N,4P),額定電流6A-125A的電路中對線路進行控制。
本產品適用于:家庭、學生宿舍、企業、市政工程、路燈、農場、水泵、地曖、熱水器等設備的遠程智能控制。 自動模式:主電路有電情況下,手機控制分合閘。緊急合閘:緊急情況下可撥動手動開關至緊急合閘擋位,智能重合閘斷路器合閘。
WB8-16/2Z GPRS自動重合閘產品特點
1.手機GPRS控制,具備定時接通、延時接通、循環接通,同時具有過載保護、短路保護、過欠壓保護、缺相保護功能。且故障時防止合閘,使用更安全。
2.具有抗強磁干擾功能。
3.產品有緊急合閘功能。
4.具用三項發明專利更放心。
5.產品品在合閘后瞬間線路發生故障,能迅速分閘,確保用電安全,且斷路器觸頭始終在完全斷開或完全閉合狀態,避免因故障引起觸頭停留在斷開或閉合動作中間,引發安全事故。
6.安裝便捷,外形尺寸寬度單極18mm,控制部分與斷路器部分高度尺寸一致,導軌式安裝,互換方便。
7.殼體和部件均采用高陰燃、耐高壓、耐沖擊塑料制成。
8.產品正面設有紅色信號狀態燈,紅色信號燈常亮時GPRS自動重合閘斷路器信號連接良好。
9.斷路器有快速合閘功能,避免斷路器在自動合閘、分閘中因手柄帶動速度快慢帶來的不利影響,從而延長產品的。
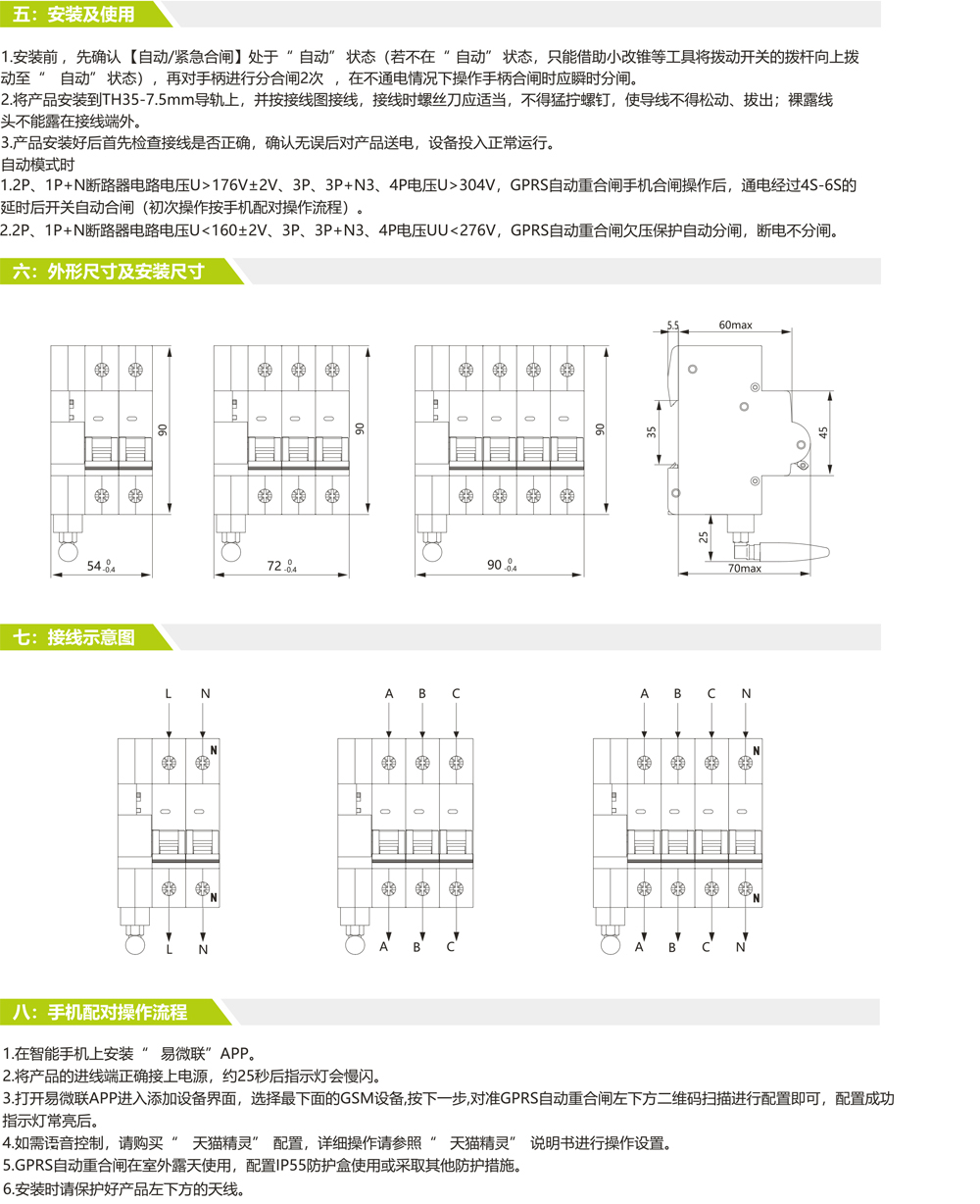
WB8-16/2Z GPRS自動重合閘詳情圖


上一篇:WB8-10/2Z GPRS自動重合閘下一篇:WB8-20/2Z GPRS自動重合閘